КОМПАС-3D
|
|
КОМПАС-3D — это российская система трехмерного проектирования, ставшая стандартом для тысяч предприятий и сотни тысяч профессиональных пользователей.
КОМПАС-3D широко используется для проектирования изделий основного и вспомогательного производств в таких отраслях промышленности, как машиностроение (транспортное, сельскохозяйственное, энергетическое, нефтегазовое, химическое и т.д.), приборостроение, авиастроение, судостроение, станкостроение, вагоностроение, металлургия, промышленное и гражданское строительство, товары народного потребления и т. д.
Актуальная версия КОМПАС-3D v20
Почему предприятия и пользователи выбирают КОМПАС-3D:
Не только снижает нагрузку на зрение и сокращает лишние действия, но и обеспечивает полную концентрацию внимания пользователя на рабочем документе.
ПОДДЕРЖКА ГОСТ 2.052-2015 «ЭЛЕКТРОННАЯ МОДЕЛЬ ИЗДЕЛИЯ»
КОМПАС-3D содержит инструменты создания в 3D-модели необходимых и достаточных данных для ее производства: размеры, элементы обозначения (осевые линии, резьбы, базы, допуски форм и т. д.), технические требования, неуказанная шероховатость. Это значит, что КОМПАС-3D уже сейчас позволяет отказаться от электронных чертежей изделия.
Одно из главных преимуществ КОМПАС-3D — оформление документации в полном соответствии с правилами ЕСКД или СПДС. Это подтверждают пользователи других CAD-систем, выполняя 3D-модели изделий в своей САПР, а чертежи, спецификации, схемы, ведомости — в КОМПАС-3D.
Создавать изделия любой сложности стало возможным, благодаря реализованной в 2018 году концепции быстродействия КОМПАС-3D. Однако работы над производительностью системы продолжаются и по сей день, поэтому каждая новая версия будет быстрее предыдущей. На данный момент ускорено около 40 процессов, внедрены специальные приёмы работы с большими сборками, используются необходимые ресурсы аппаратной части (процессоров, видеокарт).
- Наличие необходимой функциональности;
- Проектирование изделий любой сложности;
- Качественное оформление документации по ЕСКД или СПДС;
- Автоматизация отраслевых задач;
- Простота освоения;
- Бесплатная техническая поддержка;
- Гибкая лицензионная политика;
- Льготное замещение зарубежных САПР;
- Встраивание в PLM-среду предприятия.
ПОЛНОСТЬЮ ИМПОРТОНЕЗАВИСИМАЯ СИСТЕМА
В основе КОМПАС-3D лежит российское геометрическое ядро C3D (создано C3D Labs, дочерней компанией АСКОН) и собственные программные технологии.

СОВРЕМЕННЫЙ НАСТРАИВАЕМЫЙ ИНТЕРФЕЙС
Не только снижает нагрузку на зрение и сокращает лишние действия, но и обеспечивает полную концентрацию внимания пользователя на рабочем документе.
![]() | ![]() | ![]() |
КОМПАС-3D поддерживает следующие виды моделирования:
твердотельное
![]() | поверхностное
![]() | листовое
![]() | объектное
![]() |
ПОДДЕРЖКА ГОСТ 2.052-2015 «ЭЛЕКТРОННАЯ МОДЕЛЬ ИЗДЕЛИЯ»
КОМПАС-3D содержит инструменты создания в 3D-модели необходимых и достаточных данных для ее производства: размеры, элементы обозначения (осевые линии, резьбы, базы, допуски форм и т. д.), технические требования, неуказанная шероховатость. Это значит, что КОМПАС-3D уже сейчас позволяет отказаться от электронных чертежей изделия.

ОБМЕН ДАННЫМИ С ДРУГИМИ САПР
Возможности КОМПАС-3D по обмену информацией с другими CAD-системами:
РАСЧЕТЫ И АНАЛИЗ
- экспорт и импорт (с последующим редактированием) 3D-геометрии и данных о модели через форматы STEP, ACIS, IGES, Parasolid и др.;
- экспорт и импорт (с последующим редактированием) 2D-геометрии через форматы DWG и DXF;
- прямой импорт (с последующим редактированием) файлов наиболее распространенных CAD-систем (SolidWorks, Autodesk Inventor, Solid Edge, Creo, NX, Catia).





РАСЧЕТЫ И АНАЛИЗ
КОМПАС-3D позволяет выполнять следующие инженерные расчеты:
- расчет массо-центровочных характеристик (2D/3D);
- расчет пружин и механических передач (2D/3D);
- динамический анализ поведения механизмов (3D);
- экспресс-анализ прочности (3D);
- топологическая оптимизация изделия (3D);
- геометрическая оптимизация (3D);
- анализ течения жидкости и газа (3D);
- анализ теплопроводности и естественной конвекции (3D);
- расчет размерных цепей (2D).

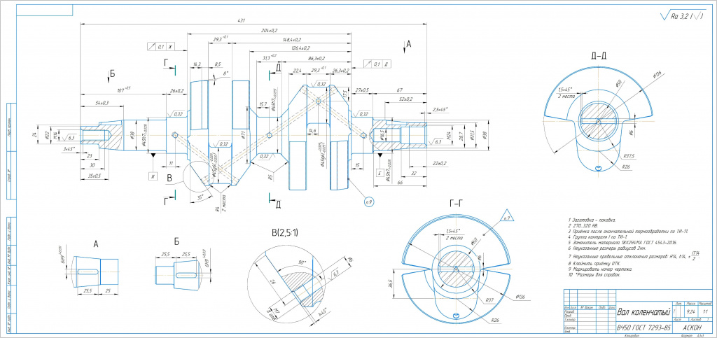
КАЧЕСТВЕННОЕ ОФОРМЛЕНИЕ КОНСТРУКТОРСКОЙ И ПРОЕКТНОЙ ДОКУМЕНТАЦИИ
Одно из главных преимуществ КОМПАС-3D — оформление документации в полном соответствии с правилами ЕСКД или СПДС. Это подтверждают пользователи других CAD-систем, выполняя 3D-модели изделий в своей САПР, а чертежи, спецификации, схемы, ведомости — в КОМПАС-3D.
![]() | ![]() | ![]() |
ПОИСК И ИСПРАВЛЕНИЕ ОШИБОК В ЧЕРТЕЖАХ И 3D-МОДЕЛЯХ
КОМПАС-3D позволяет осуществлять проверку документов на соответствие стандартам оформления по ЕСКД (например, размещение текста или допустимое расстояние между размерными линиями), а также проверку моделей на технологичность (например, расположение отверстий или разрешенные значения шероховатости).
Всего доступно около 200 различных проверок, которые улучшат качество разрабатываемых моделей и документации и помогут исправить ошибки до передачи изделия в производство.
Всего доступно около 200 различных проверок, которые улучшат качество разрабатываемых моделей и документации и помогут исправить ошибки до передачи изделия в производство.

РАБОТА С БОЛЬШИМИ СБОРКАМИ
Создавать изделия любой сложности стало возможным, благодаря реализованной в 2018 году концепции быстродействия КОМПАС-3D. Однако работы над производительностью системы продолжаются и по сей день, поэтому каждая новая версия будет быстрее предыдущей. На данный момент ускорено около 40 процессов, внедрены специальные приёмы работы с большими сборками, используются необходимые ресурсы аппаратной части (процессоров, видеокарт).

![]() | ![]() | ![]() |
ТРЕБОВАНИЯ К АППАРАТНОМУ ОБЕСПЕЧЕНИЮ:
ОБЪЕКТНОЕ МОДЕЛИРОВАНИЕ

ОБЪЕКТНОЕ МОДЕЛИРОВАНИЕ
Функциональность любого программного продукта направлена на автоматизацию и выполнение какой-либо задачи за минимальное время. В КОМПАС-3D спроектировать изделие быстрее можно с помощью объектного моделирования, при котором составные части изделия создаются не с помощью эскизов и формообразующих операций, а с помощью готовых типовых «объектов». К таким объектам в КОМПАС-3D относятся крепёжные элементы, пружины, валы, механические передачи, трубопроводы, металлоконструкции, электрические провода и многое другое.
![]() | ![]() | ![]() |
МЕТОДИКИ ПРОЕКТИРОВАНИЯ
КОМПАС-3D поддерживает несколько методик проектирования изделия. Наиболее перспективная с точки зрения скорости — методика нисходящего проектирования (МНП или «сверху-вниз»). Она заключается в проектировании, начиная с уровня головной сборки и заканчивая уровнем деталей.
Применение МНП обеспечивает параллельную разработку составных частей изделия несколькими исполнителями, а также существенно сокращает время на внесение изменений в проект с помощью управления компоновкой изделия.
ИНТЕГРАЦИЯ С СИСТЕМАМИ УПРАВЛЕНИЯ ЖИЗНЕННЫМ ЦИКЛОМ ИЗДЕЛИЯ

Применение МНП обеспечивает параллельную разработку составных частей изделия несколькими исполнителями, а также существенно сокращает время на внесение изменений в проект с помощью управления компоновкой изделия.
ИНТЕГРАЦИЯ С СИСТЕМАМИ УПРАВЛЕНИЯ ЖИЗНЕННЫМ ЦИКЛОМ ИЗДЕЛИЯ
После завершения проектирования жизненный цикл изделия (ЖЦИ) продолжается этапами технологической подготовки производства, испытания, изготовления, эксплуатации изделия и т. д. Для автоматизации этих этапов необходима система управления ЖЦИ, система PLM-класса. КОМПАС-3D содержит необходимые инструменты для встраивания (интеграции) в любые существующие PLM-среды. Наиболее тесная интеграция организована с системой управления инженерными данными ЛОЦМАН:PLM (разработка АСКОН).
Только начинаете осваивать КОМПАС-3D? Пройдите базовый курс обучения в офисах компании АСКОН. Для самостоятельного изучения воспользуйтесь интерактивными азбуками по 2D и 3D, приёмами работы, справочной системой, подсказками в процессе команд.
За последние годы разработчики КОМПАС-3D ускорили темпы развития продукта – теперь в рамках одной версии реализуется в 3 раза больше новинок, чем раньше. В течение пяти лет появилось около 400 новинок, большинство из которых были разработаны на основе предложений пользователей.
Отработку предложений и любых инцидентов по продукту ведет Служба технической поддержки АСКОН. Техническое сопровождение всех лицензионных пользователей КОМПАС-3D предоставляется бесплатно через Личный кабинет сайта технической поддержки.
Хотите узнать, как решить именно ваши задачи? Обратитесь в нашу компанию!

Только начинаете осваивать КОМПАС-3D? Пройдите базовый курс обучения в офисах компании АСКОН. Для самостоятельного изучения воспользуйтесь интерактивными азбуками по 2D и 3D, приёмами работы, справочной системой, подсказками в процессе команд.

За последние годы разработчики КОМПАС-3D ускорили темпы развития продукта – теперь в рамках одной версии реализуется в 3 раза больше новинок, чем раньше. В течение пяти лет появилось около 400 новинок, большинство из которых были разработаны на основе предложений пользователей.
Отработку предложений и любых инцидентов по продукту ведет Служба технической поддержки АСКОН. Техническое сопровождение всех лицензионных пользователей КОМПАС-3D предоставляется бесплатно через Личный кабинет сайта технической поддержки.

Хотите узнать, как решить именно ваши задачи? Обратитесь в нашу компанию!
Назад в раздел




















